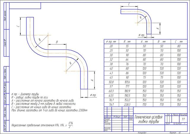
Послуги дорнового трубогибу ЧПУ 76 NCBA. Холодне гнуття труб діаметром 20 мм, 25 мм, 30 мм, 32 мм, 33.7 мм, 38 мм, 42 мм, 43 мм, 45 мм, 48 мм, 50,8 мм, 51 мм, 57 мм, 60,3 мм, 63,5 мм, 76 мм стінка до 8 мм. В прикріпленому файлі інформація про доступні діаметри та радіуси згинання.
Також можливе виготовлення серійно, дрібносерійно, одинично деталей, частин машин, верстатів, устаткування. Виробництво комплексних проектів.
Серед наших клієнтів -
"Camozzi" виробництво пневмоциліндрів і аксесуарів для пневматики
СП NG Metall Ukraine Дочірнє підприємство N. Graversens metalvarefabrik A/S Данія
ДП ЮМЗ виробництво тракторів
Татра-Південь - виробництво трамваїв
Горизонт - 12 виробництво вертольотів
Артіль - виробництво катерів на повітряній подушці
Квадро-Інтернешенал - виробництво всюдиходів "Шерп"

| Основні | |
|---|---|
| Термін виконання | 1 дн |
- Ціна: від 1 ₴


